ЭЛЕКТРОВЫСАДОЧНЫЕ МАШИНЫ ГОРИЗОНТАЛЬНОГО ТИПА ДЛЯ ДЕТАЛЕЙ И КЛАПАНОВ
Горизонтальный электровысадочный автомат серии RG-VHC
Применение машин для высадки с электронагревом
Электровысадочный автомат горизонтального типа подходит для высадки деталей, длиной превосходящей 800 мм, а также для изделий неограниченной длины (по требованию клиента).

Особенности конструкции горизонтального электровысадочного автомата

Электровысадочные автоматы вертикального типа и горизонтального типов позволяют съэкономить до 50% материалов и электроэнергии. Не происходит перерасход энергии и материалов. Нагревается исключительно объем для высадки, необработанная часть остается холодной. Оборудование для нагрева заготовки под высадку крепежа, метизов и деталей сокращает рабочий процесс и не излучает тепло. Электровысадкой можно получать изделия из трудно деформируемых сплавов (высокопрочных легированных и жаропрочных сплавов, сплавов на основе никеля, титана и т.п.).
Для обеспечения хорошей структуры материала и глубины кристаллизации нагрев осуществляется изнутри наружу. Оборудование осуществляет контроль точности и площади нагрева.
Электровысадочное оборудование простое в эксплуатации, обладает высокой эффективностью не загрязняет рабочую среду. Поверхность штампованых деталей получается гладкая и без заусениц.
- Сочетание электроники и точной механики, применение импортных элементов производства TOSHIBA, OMRON, FUJI, MITSUBISHI и SIEMENS
- Благодаря специальной конструкции и обработке главный трансформатор имеет высокую выходную эффективность и экономит электроэнергию
- Регулировка напряжения с помощью кнопок с диапазоном применения (диаметр материала можно свободно выбирать в диапазоне применения)
- Надёжность оборудования в эксплуатации и точность работы
- Контактный электрод поверхности пресс-формы изготовлен из медного сплава EK2 (Япония), термостойкий и износостойкий. Лёгкая замена пресс-формы.
- Подвижные части подвергнуты специальной обработке для достижения долговечности и износостойкости
- Простота замены деталей и простота в эксплуатации и техническом обслуживании.
Длина и диаметр заготовки могут быть изменены по требованию клиента.
Технические параметры горизонтальных электровысадочных автоматов
| Параметры | Номинальная мощность | номинальная частота | Нагревательная способность (диаметр стального прутка) | Вода для охлаждения | Нормы расхода | Напряжение питания |
|---|---|---|---|---|---|---|
| Модель | кВА | Гц | м/м Ø | л/мин | % | В |
| RG-VHC910 | 91 | 50/60 | 15~30 | 50 | 90 | 200 400 220 415 240 440 346 480 380 600 |
| RG-VHC1500 | 150 | 50/60 | 21~36 | 60 | 90 | |
| RG-VHC2500 | 250 | 50/60 | 30~45 | 90 | 90 | |
| RG-VHC4500 | 450 | 50/60 | 35~55 | 100 | 90 | |
| RG-VHC6500 | 650 | 50/60 | 40~60 | 150 | 90 |
Схема производственного потока штамповки полуосей ведущего моста
![]() | |||
| автоматический отрезной станок | фаскосъёмная машина | электровысадочный автомат | высокоскоростной ковочный пресс (длинный ход) |
![]() | |||
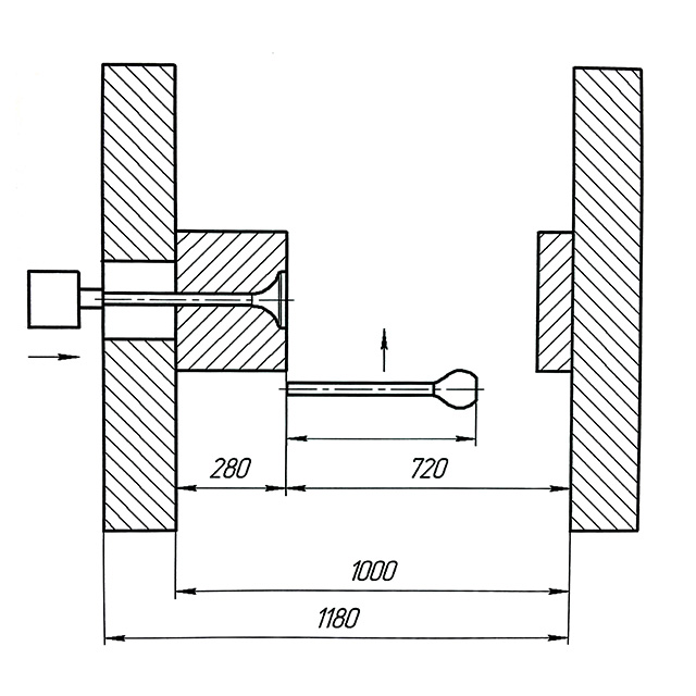
Высадка клапана из жаропрочной стали
Пример высадки клапана из жаропрочной стали на электровысадочном автомате горизонтального типа серии RG-VHC910. Пруток Ø30 мм, длина прутка 1060 мм, осадка 600 мм.



Видео работы электровысадочного автомата горизонтального типа
Работа электровысадочного станка в составе линии
Горизонтальный электровысадочный станок в процессе сборки


